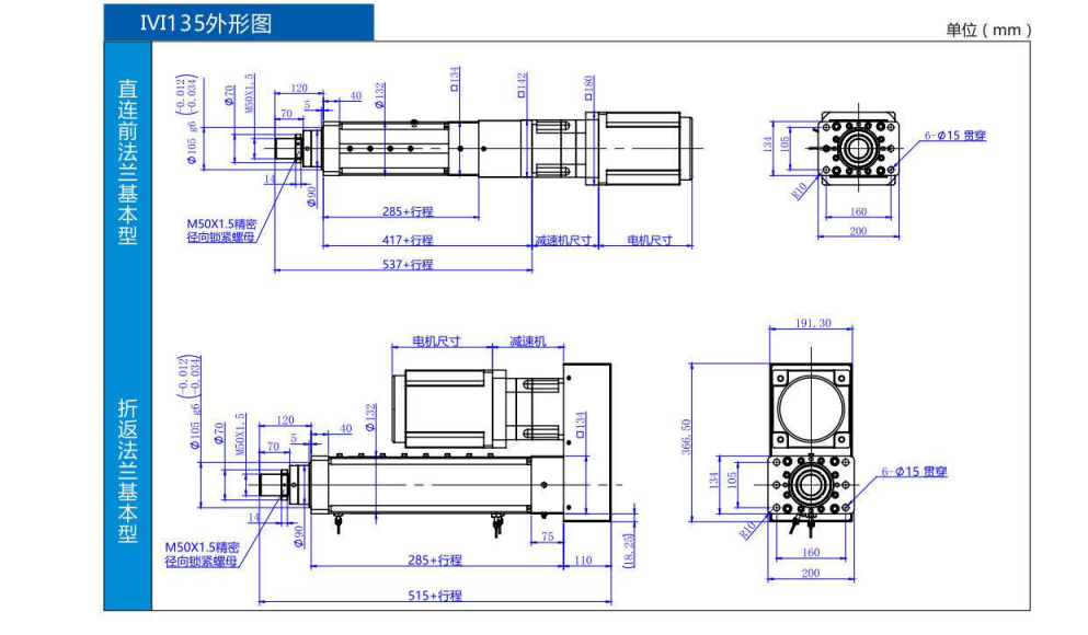
直线式电动缸
本系列电动缸集成了交流伺服电机、伺服驱动器、高精度滚珠丝杆、模块化设计等技术,整个电动缸具有结构紧凑、惯量小、响应快、 低噪音和长寿命等特点。伺服电机与电动缸的传动丝杆直接相连接,使伺服电机的编码器直接反馈电缸移动活塞的位移量,减少了中间环节的惯量和间隙,提高了控制性和控制精度。伺服电机与电动缸整体相连,安装容易、设定简单、使用方便。电动缸的主要零部件均采用国外名牌产品,性能稳定、故障率低、可靠性高。
电动缸相较其他传动件的优势
1.自锁性能--普通齿丝杠电动推杆,由于蜗轮蜗杆结构,大部分有绝对动载自锁功能,增加设备运行安全性;滚珠丝杠电动推杆和伺服电动缸不能绝对自锁,但可以在电机加制动器自锁;
2.精度定位--伺服 电动缸综合位置精度可至0.01mm;
3.精确控制--配置编码器, 压力传感器,位移传感器,实现闭环精确定位;驱动系统--直流电机12/24V,单项交流电机,三相交流电机,伺服电机等,无需气源/液压源,维护更简单方便,能耗低;
5. 过载保护--可配备安全离合器防过载;也可配备过载压力传感器防过载;
6.维护简单--噪音低, 可在高/低温,防腐/防爆恶劣环境正常工作。
7.电动直线传动设备重要特点: 自锁性能,精度定位,速度控制,推力控制,维护简单。























